ミスミ 加工 依頼
当日出荷の依頼はできますか? ミスミからの回答とは何ですか? 「ミスミからの新しいお知らせがあります」と表示されていますが、これは何ですか? 「バラチャージ」とは何ですか? RoHSの表記の見方を教えてください。 該非判定書の発行を依頼したい。.
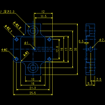
ミスミ 加工 依頼. FreeCADで「加工後の大きさ30x110x66mm、板厚2mm、通し穴個」の3Dデータを作成し、ミスミの板金加工サービス meviy にSUS304の加工を2440円作業日数3日で依頼できました。 参考 メヴィー板金部品 板金加工品の加工条件と精度規格 ミスミ. ・穴加工は有料となります。 ・加工内容により、出荷日が加算されます。 2ミスミ型式の記載がない図面について ・弊社カタログに掲載されているベースボックスへ置き換えてお見積もりいたします。 ・図面内容によりご希望に添えない場合がございます。. 見積もり依頼をされた3Dデータをmeviy 板金部品が自動で解析します。 加工性を瞬時に判断し、未然に加工トラブルを防止します ミスミのWEBサービス用アカウント(WOS IDの見積権限又は購買権限)があればご利用頂けます。.
板金・切削部品の即時見積もりと加工、最短1日出荷。 工場の設備や装置に必要な、板金部品や切削部品の見積もりと加工に対応。 ミスミvonaで取り扱いのあるメカニカル部品では規格外になってしまった図面加工品を3d cadデータのみで手配できます。. ご対応よろしくお願い致します。 依頼・相談したい業務内容 機械加工 塗装、研磨 印刷等 品目 その他 素材 鉄 ステンレス 真鍮 依頼・相談したい内容 深絞りキャップの製造 Φ16mm長さ75mm t=02~05mmのペンキャップ用金属筒です。. よくある質問|樹脂加工、プラスチック加工専門メーカーの日新電気株式会社は、ロット1 1個、5個製作依頼した場合の単価は同じですか? ミスミカタログの材料に追加工してもらえますか?.
製造業経営コンサルタントの井上です。 以前、金属加工業の未来について書きました。 その時からテクノロジーの進歩がどんどん進み、変化があります。 今回は、金属加工業よりももう少し広範に影響を与える変化になります。従いまして. これまで、ミスミで売っていないような金属部品は、3D CADで作成→2D 図面に落とす→見積り依頼→不明点の解消→発注→製作→納品 という流れで制作していた。3Dから2Dに落とすところに相当な時間がかかることが問題だった。 ミスミのmeviy オンデマンド製造サービス は、このうち →2D 図面に. 製造業経営コンサルタントの井上です。 以前、金属加工業の未来について書きました。 その時からテクノロジーの進歩がどんどん進み、変化があります。 今回は、金属加工業よりももう少し広範に影響を与える変化になります。従いまして.
ミスミ「meviy(メヴィー)」への見積もり依頼はこちらから 30種類以上の本物の素材で、どんな形状も切削加工。最短1日出荷。 金型部品 Die & Mold ピン、断熱板、スプルーブシュなど金型部品19種を見積もり。 ミスミVONAで取り扱いのあるプラ型用部品に. こういうのが欲しかった! webから金属加工を依頼できるサービス「metal works」がオープン 0900;. 図面特注は図面をいただき板金切削加工等を行うサービスです。 金型品やツール品は依頼できますか? fa品をお受けしています。 図面を作成していただくことは可能ですか? ミスミにて図面の作成はお断りしています。 どうしたら利用できますか?.
アルミフレームについてさらに知識を深めたい方や、アルミフレームの加工でお悩みの方は、ぜひご一読ください。 引用元:株式会社ミスミ Mitsuriでは、こちらでご紹介したようなさまざまな種類のアルミフレームの製作を依頼できる多数のメーカー. 切削加工では樹脂に加え、アルミと真鍮を利用できます。 マシニング加工用材料はこちら 旋盤加工用材料はこちら 使い方がよくわからないのだけど・・・ ご不明な点はお気軽にお問い合わせください。 株式会社ミスミ meviyサポート TEL:. 例えばミスミ社のシャフトなど「寸法指定」で発注する場合、「加工条件内の寸法」である必要があります。 加工をご依頼いただく場合でも「知っていた方が良い程度」の事として、あまり不安にならず疑問に思った時はお気軽にご連絡下さい。 可能な.
ご注文・お取引について 800~00(日曜日・年末年始は除く) ecサービスについて 900~10、1300~1800(土日祝・年末年始は除く).

試行錯誤な日々 Freecadで設計して板金加工をミスミに依頼してみた

ミスミmeviy用データ作成 ピースフルサポート

有限会社三角製作所 切る 曲げる 溶接する 創る 幅広い板金加工製造のことならお任せください
ミスミ 加工 依頼 のギャラリー

製造業における加工部品調達のデジタル革命 Meviy 第49回 日本産業技術大賞 文部科学大臣賞 を受賞 株式会社ミスミグループ本社のプレスリリース

図面品 ミスミfaカタログ規格外品の特注見積もり
Q Tbn And9gcstkh1wjaxvi3amt5i Xxjpb7dpqi 2ziqsln7iszsdu13hewcb Usqp Cau

製造業における加工部品調達のデジタル革命 Meviy 機械 生産設備向け切削プレートの納期を半減 株式会社ミスミグループ本社のプレスリリース

製造業における加工部品調達のデジタル革命meviy 製造業の中小企業を対象に装置 設備部品を無償提供 株式会社ミスミグループ本社のプレスリリース

Web設計ボックスのご案内 Misumi Vona

話題の Meviy を使って切削プレートを発注してみたレポート Voltechno

省エネ 断熱板もヒータも特注加工承ります Misumi Vona ミスミ

クラウドで見積もり30秒 金型部品のミスミが狙うインダストリー4 0 日経クロステック Xtech

برچسب とミスミ製品 در توییتر

個人情報保護について 株式会社ミスミグループ本社

板金 切削 ラピッドプロトタイピング 迷ったら気軽に見積もり依頼をしてみよう Meviy ミスミ

ミスミの材料は安いのか 高いのか

試行錯誤な日々 Freecadで設計して板金加工をミスミに依頼してみた

ミスミから価格改定の案内が届きました 0を1にする 検査機メーカーになった町工場のブログ
Http Assyweb Misumi Jp Plus1 Data Catalog07 0023 Pdf

自由設計ハーネス Fa用エレクトロニクス部品 Misumi Vona ミスミの総合webカタログ
Q Tbn And9gcrjeeu1efwafubvuup3rfpbfth007gfk2hyey8fq93ad54fz Dv Usqp Cau

手つかずだった加工の発注にdxの波 日経クロステック Xtech

برچسب とミスミ製品 در توییتر

知る人ぞ知る 経営リーダー育成企業 ミスミ スモール イズ ビューティフル で ものづくりに革新を起こす Fastgrow

Meviyの利用で賞品が当たる受賞記念キャンペーン開催 株式会社ミスミグループ本社のプレスリリース

製造業における加工部品調達のデジタル革命 Meviy Impress Dx Awards 19 アプリケーション部門グランプリ受賞 株式会社 ミスミグループ本社のプレスリリース

断熱板 スタンダードグレード 寸法固定 寸法指定 穴加工タイプ ミスミ Misumi Vona ミスミ

株 ミスミ 出展社詳細

自由設計ハーネス Fa用エレクトロニクス部品 Misumi Vona ミスミの総合webカタログ

The Model Salesforceで営業を効率化 ミスミの新規事業meviyが挑む仕組みづくり 1 3 Saleszine セールスジン

板金加工のキャディ見積もりしてみた Order Caddi Jp ワイティのものづくりブログ

Misumi メカニカル加工部品

図面品 ミスミfaカタログ規格外品の特注見積もり

部品調達のデジタル革命 Meviy 板金部品の素材バリエーション拡大 透明樹脂プレート提供開始 株式会社ミスミグループ本社のプレスリリース

納期6日 価格4700円で治具用の切削プレートを注文 サポーターズ コーナー

個人情報保護について 株式会社ミスミグループ本社

ミスミ Meviy Meviyのtopページから 2d図面で特注品の見積もりが出来るサービス に飛べるリンクがついたのご存じでしたか Meviyとは別のミスミのサービスです カタログ掲載品に追加工や寸法指定ができる Faカタログ規格外品 カタログに掲載がない

話題の Meviy を使って切削プレートを発注してみたレポート Voltechno

樹脂 ゴム加工品設計支援サービス Misumi Vona ミスミ

試行錯誤な日々 Freecadで設計して板金加工をミスミに依頼してみた
Rubber Lover 北日商会 ゴムサポ 福井 3 16 ミスミ高たわみ用発泡ウレタンの追加工

切削プレート 材質需要カバー率を約7割に拡大 製造業における加工部品調達のデジタル革命 Meviy 株式会社ミスミグループ本社のプレスリリース

切削工具特集 Xalシリーズ Misumi Vona ミスミ
Q Tbn And9gcqqtjwwsvaqqd9rtzlfeiawdmmlvv 5ugqrp3egooy Usqp Cau

生産設備向けアルミフレーム筐体の設計時間を最大9割削減するmisumi Frames 日経クロステック Special

株 ミスミ 出展社詳細

ミスミ Meviy Misumi Meviy Twitter

ミスミの部品加工サービス Meviy アルミ合金のつや消し黒に対応 製品 サービス 日経クロステック Active

ミスミ Meviy Misumi Meviy Twitter

2500枚の図面をfaxで送る製造業を変えたい ミスミがaiを活用した見積もりの自動化に挑む Ai専門ニュースメディア Ainow

Misumi メカニカル加工部品

ミスミmeviy 劇的な工数低減 2d図面の依頼はもうオワコン 3dから10秒で見積が可能なサービスが起こすミスミのイノベーション Youtube
Q Tbn And9gcqqtjwwsvaqqd9rtzlfeiawdmmlvv 5ugqrp3egooy Usqp Cau

株式会社ミスミ 企業情報 イプロスものづくり

手つかずだった加工の発注にdxの波 日経クロステック Xtech

ミスミ 中小製造業への支援策発表 7月中旬から新生meviyがスタート Iot News

新型コロナウイルス感染拡大防止に取り組む産業界の医療物資供給を支援 Meviy による機械加工部品の無償提供を実施 株式会社ミスミ グループ本社のプレスリリース

穴加工付き断熱板 ミスミ Misumi Vona ミスミ

ミスミ Meviy Misumi Meviy تويتر

2500枚の図面をfaxで送る製造業を変えたい ミスミがaiを活用した見積もりの自動化に挑む Ai専門ニュースメディア Ainow

ミスミ Misumi Iot News

製造業における加工部品調達のデジタル革命meviy 製造業の中小企業を対象に装置 設備部品を無償提供 株式会社ミスミグループ本社のプレスリリース

図面品 ミスミfaカタログ規格外品の特注見積もり

ミスミが提案する部品調達のデジタル革命 Sheetmetal ましん そふと マシニスト出版

برچسب とミスミ製品 در توییتر

試行錯誤な日々 Freecadで設計して板金加工をミスミに依頼してみた

試行錯誤な日々 Freecadで設計して板金加工をミスミに依頼してみた

ミスミ Meviy から見えてきた 中小部品加工業の今後 未来について 製造業専門コンサルタント 部品加工業 メーカー Btob 製造業の経営戦略 Webマーケティング 賃金評価制度など下請け型企業に強い経営コンサルタント 船井総合研究所

2500枚の図面をfaxで送る製造業を変えたい ミスミがaiを活用した見積もりの自動化に挑む Ai専門ニュースメディア Ainow

切削工具特集 Xalシリーズ Misumi Vona ミスミ

図面品 ミスミfaカタログ規格外品の特注見積もり

図面品 ミスミfaカタログ規格外品の特注見積もり
図面品の調達を自動化し製造業のdxに貢献する Meviy で創造的な 時間 を取り戻す Gemba 現場 の未来を切り拓くメディア

手つかずだった加工の発注にdxの波 日経クロステック Xtech

ミスミ 社員クチコミ 就職 転職の採用企業リサーチ Openwork 旧 Vorkers

知る人ぞ知る 経営リーダー育成企業 ミスミ スモール イズ ビューティフル で ものづくりに革新を起こす Fastgrow

製造業における加工部品調達のデジタル革命 Meviy バーチャルとリアルの展示会をフル活用し認知 理解を拡大 株式会社ミスミ グループ本社のプレスリリース

ミスミ 中小製造業への支援策発表 7月中旬から新生meviyがスタート Iot News

ミスミ Meviy Misumi Meviy Twitter

ミスミmeviy用データ作成 ピースフルサポート

図面品 ミスミfaカタログ規格外品の特注見積もり

個人でミスミを利用する方法 自作工房

金属加工受発注プラットフォームに板金cadを追加 製図から発注まで全てwebで メカ設計ニュース Monoist

紙 Webカタログから 3dcadデータによる特注品の短納期納品へ Meviy メヴィー が目指す時間的価値の創造とは 前編 みんなの試作広場

ミスミ Meviy から見えてきた 中小部品加工業の今後 未来について 製造業専門コンサルタント 部品加工業 メーカー Btob 製造業の経営戦略 Webマーケティング 賃金評価制度など下請け型企業に強い経営コンサルタント 船井総合研究所

製造業における加工部品調達のデジタル革命 Meviy 切削プレートの素材バリエーション拡大 高精度製造設備部品に対応 株式会社ミスミ グループ本社のプレスリリース

ミスミ 確実短納期 で製造現場に 時間 を生み出す ものづくりニュース By アペルザ

製造業版amazon ミスミのすごいところ Kazpee Note

Web設計ボックスのご案内 Misumi Vona

ミスミの材料は安いのか 高いのか

ミスミ Meviyを利用する中小企業向けに最大10万円分の部品を無償提供 Tech

ミスミグループ本社の3dデータによる部品調達プラットフォーム Meviy 商品 事業領域を拡大 Iot News

日本の ものづくり を変える次のイノベーションは何だ En Courage

話題の Meviy を使って切削プレートを発注してみたレポート Voltechno
図面品の調達を自動化し製造業のdxに貢献する Meviy で創造的な 時間 を取り戻す Gemba 現場 の未来を切り拓くメディア

ミスミ Meviy から見えてきた 中小部品加工業の今後 未来について 製造業専門コンサルタント 部品加工業 メーカー Btob 製造業の経営戦略 Webマーケティング 賃金評価制度など下請け型企業に強い経営コンサルタント 船井総合研究所

ミスミの部品加工サービス Meviy アルミ合金のつや消し黒に対応 製品 サービス 日経クロステック Active

裏バリカッター パス ジーベックテクノロジー Misumi Vona ミスミ

Misumi メカニカル加工部品

自由設計ハーネス 見積依頼書 記入例 Fa用エレクトロニクス部品 Misumi Vona ミスミの総合webカタログ

断熱板 スタンダードグレード 寸法固定 寸法指定 穴加工タイプ ミスミ Misumi Vona ミスミ

製造業における加工部品調達のデジタル革命 Meviy ロボット業界への認知拡大を狙い 名古屋ロボテックスに初出展 株式会社ミスミ グループ本社のプレスリリース

ミスミが提案する 部品調達のデジタル革命 Meviy ミスミグループ本社 吉田光伸氏インタビュー Iot News

自由設計ハーネス Fa用エレクトロニクス部品 Misumi Vona ミスミの総合webカタログ



